Утв. и введен в действие приказом Федерального агентства по техническому регулированию и метрологии от 29 ноября 2019 г. N 1299-ст
Национальный стандарт РФ ГОСТ Р 58380-2019
"КРЕПЛЕНИЯ ДЛЯ ГОРНЫХ И ТУРИСТИЧЕСКИХ ЛЫЖ. ПОДОШВЫ ДЛЯ ИСПЫТАНИЙ КРЕПЛЕНИЙ. ТЕХНИЧЕСКИЕ ТРЕБОВАНИЯ И МЕТОДЫ ИСПЫТАНИЙ"
Alpine and touring ski-bindings. Test soles for ski-binding tests. Technical requirements and test methods
ОКС 97.220.20
Дата введения - 1 июня 2020 г.
Введен впервые
Предисловие
1 Разработан Федеральным государственным унитарным предприятием "Российский научно-технический центр информации по стандартизации, метрологии и оценке соответствия" (ФГУП "СТАНДАРТИНФОРМ")
2 Внесен Техническим комитетом по стандартизации ТК 444 "Спортивные и туристские изделия, оборудование, инвентарь, физкультурные и спортивные услуги"
3 Утвержден и введен в действие Приказом Федерального агентства по техническому регулированию и метрологии от 29 ноября 2019 г. N 1299-ст
4 Настоящий стандарт разработан с учетом основных нормативных положений международного стандарта ИСО 9838:2019 "Крепления для горных и туристических лыж. Подошвы для испытания креплений" (ISO 9838:2019 "Alpine and touring ski-bindings - Test soles for ski-binding tests", NEQ)
5 Введен впервые
1 Область применения
Настоящий стандарт распространяется на подошвы для испытаний креплений горных и туристических лыж и устанавливает технические требования и методы испытаний.
2 Нормативные ссылки
В настоящем стандарте использованы нормативные ссылки на следующие стандарты:
ГОСТ 24621 (ISO 868:2003) Пластмассы и эбонит. Определение твердости при вдавливании с помощью дюрометра (твердость по Шору)
ГОСТ ISO 5355 Обувь. Ботинки горнолыжные. Общие требования и методы испытаний
ГОСТ Р 58378 Крепления для горных лыж. Требования безопасности и методы испытаний
Примечание - При пользовании настоящим стандартом целесообразно проверить действие ссылочных стандартов в информационной системе общего пользования - на официальном сайте Федерального агентства по техническому регулированию и метрологии в сети Интернет или по ежегодному информационному указателю "Национальные стандарты", который опубликован по состоянию на 1 января текущего года, и по выпускам ежемесячного информационного указателя "Национальные стандарты" за текущий год. Если заменен ссылочный стандарт, на который дана недатированная ссылка, то рекомендуется использовать действующую версию этого стандарта с учетом всех внесенных в данную версию изменений. Если заменен ссылочный стандарт, на который дана датированная ссылка, то рекомендуется использовать версию этого стандарта с указанным выше годом утверждения (принятия). Если после утверждения настоящего стандарта в ссылочный стандарт, на который дана датированная ссылка, внесено изменение, затрагивающее положение, на которое дана ссылка, то это положение рекомендуется применять без учета данного изменения. Если ссылочный стандарт отменен без замены, то положение, в котором дана ссылка на него, рекомендуется применять в части, не затрагивающей эту ссылку.
3 Термины и определения
В настоящем стандарте применены термины по ГОСТ ISO 5355, а также следующие термины с соответствующими определениями:
3.1 подошва для испытаний формы А: Подошва для испытания горнолыжных креплений.
3.2 подошва для испытаний формы Т: Подошва для испытания креплений туристических лыжных креплений.
3.3 подошва для испытаний типа А: Подошва для испытаний лыжных креплений, подходящих для лыжных ботинок для взрослых.
Примечание - Требования к лыжным ботинкам для взрослых - по ГОСТ ISO 5355.
3.4 подошва для испытаний типа С: Подошва для испытаний лыжных креплений, подходящих для лыжных ботинок для детей.
Примечание - Требования к лыжным ботинкам для детей - по ГОСТ ISO 5355.
3.5 базовая подошва для испытаний: Цельная подошва длиной 305 мм для типа А и 255 мм для типа С.
3.6 подошва переменной длины для испытаний: Подошва, состоящая из двух частей с возможностью регулирования, или набор подошв фиксированной отличающейся длины.
Примечание - Для типа А длина от 270 до 360 мм и для типа С длина от 200 до 280 мм.
4 Технические требования
4.1 Материал и изготовление
Подошвы отливают в пресс-форме из термопластичного полиуретана (ТПУ), с усилением металлической пластиной для соответствия требованиям 4.3.
Подошвы изготавливают из однородного материала с одинаковой шероховатостью на поверхности стыка подошва-крепление для обеспечения одинакового коэффициента трения по всей поверхности. Для закрепления стенок подошв допустимо усиление, которое должно оставаться за пределами плоской области. Форма Т может иметь, например, базовую конструкцию, одинаковую с формой А тип А, с добавлением части из ТПУ для обеспечения инструментальной обработки образованного профиля (см. рисунок 3) и приклеивания толстой резиновой подошвы с твердостью 68 ± 5 по Шору А. Размеры подошвы для испытаний формы Т, которые не приведены на рисунке 3 следует принимать по подошве для испытаний формы А тип А (см. рисунок 1).
4.2 Размеры
Размеры базовой подошвы показаны на рисунках 1-3. За исключением общей длины, все размеры также применяют к подошвам переменной длины с учетом допусков, приведенных в таблице 1.
Таблица 1
|
Размеры
|
Допуски для номинальных размеров, мм
|
|
От 0,5 до 3 включ.
|
Св. 3 до 6 включ.
|
Св. 6 до 30 включ.
|
Св. 30 до 120 включ.
|
Св. 120 до 315 включ.
|
|
Длина
|
± 0,15
|
± 0,2
|
± 0,5
|
± 0,8
|
± 1,2
|
|
Радиусы и фаски
|
± 0,2
|
± 0,5
|
± 1
|
± 0,2
|
-
|

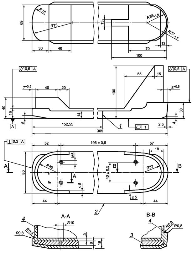
1 - центральная метка; 2 - плоская область; 3 - пластина для усиления; 4 - подошва для испытаний (см. 4.1)
Рисунок 1 - Подошва для испытаний формы А тип А

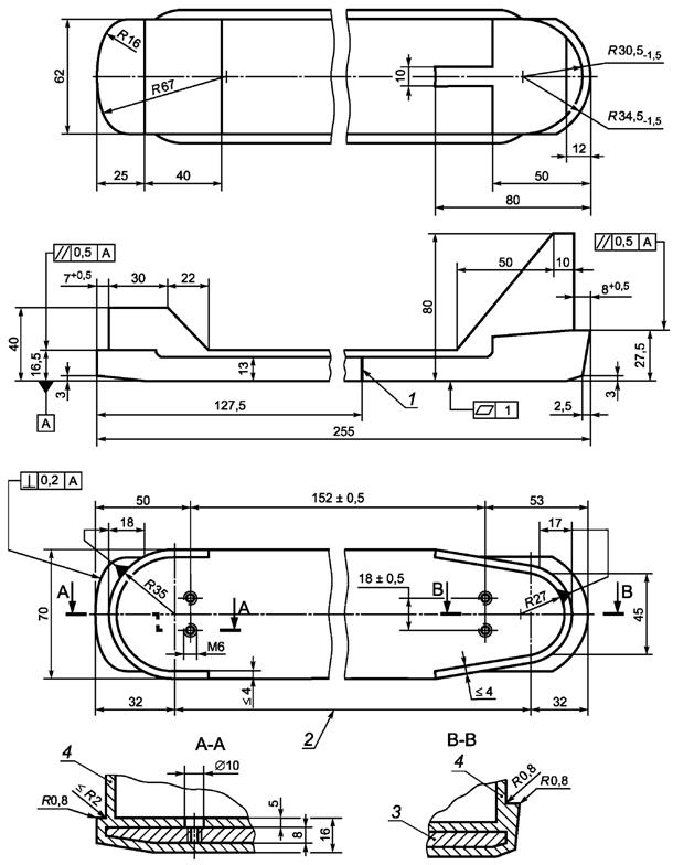
1 - центральная метка; 2 - плоская область; 3 - пластина для усиления; 4 - подошва для испытаний (см. 4.1)
Рисунок 2 - Подошва для испытаний формы А тип С

1 - резина твердостью (68 ± 5) По Шору А; 2 - пластина для усиления
Рисунок 3 - Подошва для испытаний формы Т
Для имитации вставок болтов подошвы, подошва для испытаний должна иметь отверстия и вырезы размерами, приведенными на рисунках 4 и 5.

Рисунок 4 - Подошва для испытаний формы Т с вырезом для позиции вставки

Рисунок 5 - Подошва для испытаний с вырезом для позиции вставки в зоне пятки
4.3 Требования и нормы
Подошвы для испытаний должны соответствовать требованиям, указанным в таблице 2.
Таблица 2
|
Изгиб
|
Деформация при сжатии
|
Твердость по Шору D ТПУ
|
Коэффициент трения
|
Коэффициент расширения, K -1
|
|
при нагружении
|
остаточный
|
при нагружении
|
остаточная
|
форма А типы А и С
|
форма Т
|
|
≤ 2,5
|
≤ 0,5
|
≤ 0,5
|
≤ 0,2
|
50 + 5
|
0,065 ± 0,010
|
0,20 ± 0,03
|
≤ 10 -4
|
5 Методы испытаний
5.1 Определение жесткости подошв на изгиб
Устанавливают базовую подошву для испытаний или подошву переменной длины для испытаний на две опоры, как показано на рисунке 6.
Радиус опор должен составлять (10 ± 1) мм и подошва для испытаний должна опираться на них всей своей шириной. Нагружают подошву для испытаний вертикально на 10 с в середине посредством контактного стержня с радиусом 10 мм и регистрируют изгиб под нагрузкой, исключая эффект сжатия резиновой подошвы. Регистрируют остаточный изгиб через 20 с после снятия нагрузки. Испытание проводят при температуре (23 ± 5) °С. Нагрузка F 1 должна быть следующей:
- тип А: F 1 = 400 Н;
- тип С: F 1 = 200 Н.

Рисунок 6 - Испытание жесткости на изгиб
5.2 Определение жесткости подошв на сжатие
Устанавливают подошву для испытаний в устройство из алюминия или стали, как показано на рисунке 7. Сжимают подошву для испытаний 10 с вдоль продольной оси и регистрируют деформацию под нагрузкой. Регистрируют остаточную деформацию через 20 с после снятия нагрузки. Испытание проводят при температуре (23 ± 5) °С. Нагрузка F 2 должна быть следующей:
- тип A: F 2 = 500 Н;
- тип С: F 2 = 250 Н.

──────────────────────────────
* Для типа А.
** Для типа С.
──────────────────────────────
t - толщина
Рисунок 7 - Устройство для испытаний жесткости на сжатие
5.3 Определение твердости
5.3.1 Для подошв формы А (типы А и С) измерение твердости по Шору D следует проводить на стыке подошва-крепление в соответствии с ГОСТ 24621. Испытание проводят при температуре (23 ± 5) °С.
5.3.2 Для подошв формы T измерение твердости по Шору А следует проводить на резиновой подошве в соответствии с ГОСТ 24621. Испытание проводить при температуре (23 ± 5) °С.
5.4 Коэффициент трения
Для подошв форм А (типов А и С) и Т измерение коэффициента трения следует проводить в соответствии с ГОСТ ISO 5355.
5.5 Коэффициент теплового расширения
Следует измерить разность длины подошвы для испытаний при температурах плюс 23 °С и минус 20 °С.
6 Указания по эксплуатации
Подошву для испытаний допускается применять в соответствии с ГОСТ Р 58378. Соответствие подошв следует регулярно проверять в отношении размеров (износу области контакта с креплениями) и трения (присутствию смазки креплений, царапин и т.д.).