ГОСТ Р 58431-2019 ЕДИНАЯ СИСТЕМА ЗАЩИТЫ ОТ КОРРОЗИИ И СТАРЕНИЯ. ВОДА ДЛЯ ГАЛЬВАНИЧЕСКОГО ПРОИЗВОДСТВА И СХЕМЫ ПРОМЫВОК. ОБЩИЕ ТРЕБОВАНИЯ
Unified system of corrosion and ageing protection. Water for galvanic production and washing schemes. General requirements
ОКС 25.220
ОКП 01 3000
Дата введения - 1 июля 2019 г.
Введен впервые
Предисловие
1 Разработан АО "ТАГАТ" им. С.И. Лившица
2 Внесен Техническим комитетом по стандартизации ТК 214 "Защита изделий и материалов от коррозии, старения и биоповреждений"
3 Утвержден и введен в действие Приказом Федерального агентства по техническому регулированию и метрологии от 18 июня 2019 г. N 311-ст
4 Введен впервые
Настоящий стандарт распространяется на воду, используемую для приготовления технологических растворов, электролитов и промывных операций в гальваническом производстве, и устанавливает общие требования к качеству воды, способам ее рационального использования и применению маловодных и малоотходных систем промывок.
Выполнение требований настоящего стандарта обеспечивает сокращение расхода воды, реагентов при обезвреживании гальваностоков и снижение нагрузки на очистные сооружения.
В настоящем стандарте использованы нормативные ссылки на следующие стандарты:
ГОСТ 9.305-84 Единая система защиты от коррозии и старения. Покрытия металлические и неметаллические неорганические. Операции технологических процессов получения покрытий
ГОСТ 3885 Реактивы и особо чистые вещества. Правила приемки, отбор проб, фасовка, упаковка, маркировка, транспортирование и хранение
ГОСТ 4011 Вода питьевая. Методы измерения массовой концентрации общего железа
ГОСТ 4245 Вода питьевая. Методы определения содержания хлоридов
ГОСТ 4388 Вода питьевая. Методы определения массовой концентрации меди
ГОСТ 17433 Промышленная чистота. Сжатый воздух. Классы загрязненности
ГОСТ 18164 Вода питьевая. Метод определения содержания сухого остатка
ГОСТ 18190 Вода питьевая. Методы определения содержания остаточного активного хлора
ГОСТ 18293 Вода питьевая. Методы определения содержания свинца, цинка, серебра
ГОСТ 18309 Вода. Методы определения фосфорсодержащих веществ
ГОСТ 31857 Вода питьевая. Методы определения содержания поверхностно-активных веществ
ГОСТ 31859 Вода. Метод определения химического потребления кислорода
ГОСТ 31870 Вода питьевая. Определение содержания элементов методами атомной спектрометрии
ГОСТ 31940 Вода питьевая. Методы определения содержания сульфатов
ГОСТ 31953 Вода. Определение нефтепродуктов методом газовой хроматографии
ГОСТ 31954 Вода питьевая. Методы определения жесткости
ГОСТ 31956 Вода. Методы определения содержания хрома (VI) и общего хрома
ГОСТ 33045 Вода. Методы определения азотсодержащих веществ
ГОСТ Р 56237 (ИСО 5676-5:2006) Вода питьевая. Отбор проб на станциях водоподготовки и в трубопроводных распределительных системах
ГОСТ Р 57164 Вода питьевая. Методы определения запаха, вкуса и мутности
ГОСТ Р 58144 Вода дистиллированная. Технические условия
Примечание - При пользовании настоящим стандартом целесообразно проверить действие ссылочных стандартов в информационной системе общего пользования - на официальном сайте Федерального агентства по техническому регулированию и метрологии в сети Интернет или по ежегодному информационному указателю "Национальные стандарты", который опубликован по состоянию на 1 января текущего года, и по выпускам ежемесячного информационного указателя "Национальные стандарты" за текущий год. Если заменен ссылочный стандарт, на который дана недатированная ссылка, то рекомендуется использовать действующую версию этого стандарта с учетом всех внесенных в данную версию изменений. Если заменен ссылочный стандарт, на который дана датированная ссылка, то рекомендуется использовать версию этого стандарта с указанным выше годом утверждения (принятия). Если после утверждения настоящего стандарта в ссылочный стандарт, на который дана датированная ссылка, внесено изменение, затрагивающее положение, на которое дана ссылка, то это положение рекомендуется применять без учета данного изменения. Если ссылочный стандарт отменен без замены, то положение, в котором дана ссылка на него, рекомендуется применять в части, не затрагивающей эту ссылку.
3.1 Вода, используемая для приготовления технологических растворов, электролитов и промывных операций в гальваническом производстве, должна быть безопасной в эпидемиологическом отношении и химически инертной к покрытию.
3.2 Физико-химические показатели воды для приготовления технологических растворов и первоначальной промывки должны удовлетворять требованиям таблицы 1.
|
Наименование показателя |
Норма для воды категории |
Метод испытания | |
|
2 |
3 | ||
|
1 Водородный показатель при 20 °С, рН |
6,0-8,5 |
5,4-6,6 |
Измеряют на рН-метре любой модели со стеклянным электродом с погрешностью измерений ± 0,1 |
|
2 Сухой остаток, мг/дм3, не более |
400 |
5,0 а) |
По ГОСТ 18164 |
|
3 Жесткость общая, °Ж, не более |
6,0 |
0,35 |
По ГОСТ 31954 |
|
4 Мутность по стандартной шкале, мг/дм3, не более |
1,5 |
- |
По ГОСТ Р 57164 |
|
5 Сульфаты (SO42-), мг/дм3, не более |
50 |
0,5 а) |
По ГОСТ 31940 |
|
6 Хлориды (Сl-), мг/дм3, не более |
35 |
0,02 а) |
По ГОСТ 4245 |
|
7 Нитраты (NOˉ3), мг/дм3, не более |
15 |
0,2 а) |
По ГОСТ 33045 |
|
8 Фосфаты (PO43-), мг/дм3, не более |
3,5 |
1,0 |
По ГОСТ 18309 |
|
9 Аммиак, мг/дм3, не более |
5,0 |
0,02 а) |
По ГОСТ 33045 |
|
10 Нефтепродукты мг/дм3, не более |
0,3 |
- |
По ГОСТ 31953 |
|
11 Химическое потребление кислорода, мг/дм3, не более |
50 |
- |
По ГОСТ 31859 |
|
12 Остаточный хлор, мг/дм3, не более |
1,7 |
- |
По ГОСТ 18190 |
|
13 Поверхностно-активные вещества мг/дм3, не более |
1,0 |
- |
По ГОСТ 31857 |
|
14 Ионы тяжелых металлов, мг/дм3, не более: |
5,0 |
0,4 | |
|
железо |
0,1 |
0,05 |
По ГОСТ 4011 |
|
медь |
0,3 |
0,02 |
По ГОСТ 4388 |
|
никель |
1,0 |
- |
По ГОСТ 31870 |
|
цинк |
1,5 |
0,2 а) |
По ГОСТ 18293 |
|
хром трехвалентный |
0,5 |
- |
По ГОСТ 31870, ГОСТ 31956 |
|
15 Удельная электрическая проводимость при 20 °С, См/м, не более |
3·10-2 |
5·10-4 |
Измеряют на кондуктометре любого типа |
|
а) Нормы ингредиентов для воды категории 3 определяют по ГОСТ Р 58144. Примечания 1 1-я категория воды применялась до 01.01.93. 2 Допускается применять другие стандартизованные и аттестованные методики измерений. | |||
3.3 В гальваническом производстве следует применять системы многократного использования воды, в необходимых случаях обеспечивающие очистку воды до требуемого качества и (или) рекуперацию ценных компонентов. При неоднократном использовании воды без ее очистки рекомендуется учитывать влияние накапливающихся в ней загрязнений на работу технологических ванн.
4.1 Отбор проб для контроля параметров воды для воды категории 2 - по ГОСТ Р 56237, для воды категории 3 - по ГОСТ 3885.
4.2 Лабораторно-производственный контроль качества воды проводят не менее одного раза в сутки по показателям 1, 6, 14, 15 таблицы 1, а по остальным показателям - не менее одного раза в три месяца.
Область применения воды приведена в таблице 2.
|
Категория воды |
Область применения |
Дополнительные указания |
|
2 |
Приготовление электролитов и промывка во всех случаях, кроме перечисленных для воды категории 3 |
- |
|
3 |
Приготовление электролитов и промывка перед обработкой в электролитах (растворах), составленных на воде категории З а), а также при специальных требованиях к качеству и внешнему виду, для особо ответственных деталей, указанных в технологических инструкциях |
Вода, использованная для промывки, может быть применена повторно как вода категории 2 |
|
а) Электролиты оловянирования (карта 32), меднения (карта 34, составы 4, 7, 8), никелирования (карта 35, составы 2, 6, 7, 13-18), хромирования (карта 36, составы 2, 9), покрытия сплавами олово-никель, (карта 50), олово-висмут (карта 51), олово-свинец (карта 52), медь-олово (карта 53), медь-свинец-олово (карта 60), покрытия драгоценными металлами (карты 38-41, 56-57), для анодного окисления алюминия и его сплавов (карта 73, составы 1-3, 8); растворы для получения металлических покрытий химическим способом (карта 42, составы 1-5, 7-10), осветления и пассивирования (карта 80, составы 7-8), наполнения и пропитки покрытий (карта 82, составы 1-4) по ГОСТ 9.305-84. | ||
6.1 Методы промывок для одноступенчатой схемы приведены на рисунке 1 и в таблице 3, температурный режим воды - в таблице 4.
6.2 Методы промывки, приведенные для одноступенчатой схемы, распространяются на все схемы промывок.
Для аэрозольного метода промывки используют сжатый воздух нечетного класса загрязнений по ГОСТ 17433.
Могут быть применены другие экономически и экологически обоснованные методы промывок, обеспечивающие требования настоящего стандарта.
|
|
|
|
а) Погружной метод |
б) Комбинированный метод |
|
|
|
|
в) Аэрозольный метод |
г) Струйный метод |
Рисунок 1 - Методы промывок
|
Условное обозначение метода промывки |
Наименование метода |
Область применения |
Дополнительные указания |
|
П |
Погружной - промывка в ваннах с проточной и непроточной водой |
Обработка на подвесках деталей, имеющих пазы, углубления и т.п. Обработка деталей насыпью |
Минимальная продолжительность промывки 20 с |
|
С, ИС, А |
Струйный, импульсно-струйный или аэрозольный - промывка или продувка (аэрозольный) из душирующих устройств |
Обработка на подвесках деталей преимущественно простой конфигурации |
Минимальная продолжительность промывки 10 с |
|
К |
Комбинированный - последовательно струйный и погружной |
Промывка деталей после обработки в трудносмываемых растворах и деталях сложной конфигурации |
Минимальная продолжительность промывки 20 с |
|
Примечание - Длительность промывки и последовательность использования операций указывается в технологической инструкции. | |||
|
Температурный режим воды |
Температура, °С |
Область применения |
Дополнительные указания |
|
Холодная (X) |
15-39 |
Во всех случаях, кроме перечисленных для Т и Г |
Допускается использовать воду с температурой ниже 15 °С, если это не влияет на качество промывки |
|
Теплая (Т) |
40-60 |
После операции обезжиривания, хроматирования, травления легких сплавов, снятия шлама, анодного окисления, перед и после химического оксидирования черных и цветных металлов |
- |
|
Горячая (Г) |
более 60 |
После операции обезжиривания, травления и снятия травильного шлама в щелочных растворах, при наличии на поверхности значительного количества масел или смазок, перед химическим обезжириванием или одновременным обезжириванием - травлением, перед операциями нанесения покрытий в теплых и горячих растворах, перед сушкой |
Не применяется после операции хроматирования по цинковому и кадмиевому покрытиям и химического оксидирования по алюминию и алюминиевым сплавам |
|
Примечание - Если при каскадной промывке в одной из ступеней предусматривается теплая или горячая вода, то в другой ступени температура воды не нормируется. | |||
7.1 Для промывки деталей от технологических растворов применяют различные схемы промывок. Допустимые концентрации основных компонентов в промывной воде в последней по ходу движения деталей промывной ванне или ступени промывки установлены в таблице 5. Примеры схем промывок приведены на рисунке 2.
7.2 После ванн с особо токсичными и (или) ценными компонентами рекомендуется устанавливать промывные ванны с непроточной водой (далее - ванны улавливания).
При промывке после покрытия драгоценными металлами следует устанавливать не менее двух ванн улавливания.
Ванны улавливания наполняют водой такого же качества, как и ванны химической или электрохимической обработки.
Технологические растворы из ванн улавливания следует использовать для приготовления и корректировки электролитов ванн химической и электрохимической обработки или направлять на утилизацию или переработку для регенерации ценных компонентов.
7.3 Методы расчета указанных схем приведены в приложении А. Допускается применять другие экономически и экологически обоснованные схемы промывок, обеспечивающие достижение допустимых концентраций по таблице 5 с учетом ограничений, указанных в технологической инструкции.
7.4 Для многоступенчатой схемы может быть применено различное сочетание методов промывки в зависимости от конфигурации деталей, способа их загрузки и методов очистки сточных вод. На схемах приведен принцип подачи, переливов и стока воды, конструктивное решение которых может быть различным.
7.5 После каждой технологической операции используют такую схему промывки, которая обеспечивает требуемое качество промывки, минимальный расход воды и концентрацию компонентов электролитов, удовлетворяющую техническим характеристикам применяемого оборудования для очистки сточных вод. Более трех ступеней проточной промывки применять нецелесообразно.
При невозможности установки в действующих цехах двух- или трехступенчатой промывки для деталей, обрабатываемых на подвесках, допускается сокращение одной ступени от расчетного количества, при этом применяют комбинированный метод промывки.
7.6 Системы водоснабжения и примеры схем рационального использования воды на гальванических линиях приведены в приложении Б.

а) Одноступенчатая с одной ванной улавливания

б) Двухступенчатая противоточная с одной ванной улавливания

в) Двухступенчатая прямоточная с одной ванной улавливания

г) Трехступенчатая противоточная с одной ванной улавливания

д) Трехступенчатая смешанная с одной ванной улавливания

е) Бессточная
1, 2, 3 - ванны: химической или электрохимической обработки, улавливания, промывки соответственно; Qисп - потери технологического раствора на тепловое испарение и унос выделяющимися газами; Q1, Q2 - расчетный расход воды, дм3/ч
Рисунок 2 - Схемы промывок
|
Наименование компонента или иона электролита |
Наименование операции, перед которой проводится промывка |
Наименование электролита, перед которым проводится промывка |
Допустимая концентрация основного компонента в воде после операции промывки сд, мг/дм3 |
|
Общая щелочность в пересчете на едкий натр |
- |
Щелочной Кислый или цианистый |
800 100 |
|
Анодное окисление алюминия и его сплавов |
- |
50 | |
|
Красители (для окрашивания покрытий - анодное оксидирование) |
Межоперационная промывка, сушка |
- |
5 |
|
Кислота в пересчете на серную |
- |
Кислый Щелочной Цианистый |
100 50 10 |
|
Наполнение и пропитка покрытий, сушка |
- |
10 | |
|
CNˉобщ, Sn2+, Sn4+, Zn2+, Cr6+, Pb2+ |
Межоперационная промывка, сушка |
- |
10 |
|
CNS-, Cd2+ |
Межоперационная промывка, сушка |
- |
15 |
|
Cu2+, Cu+ |
Никелирование Сушка |
- |
2 10 |
|
Ni2+ |
Меднение Хромирование, сушка |
- |
20 10 |
|
Fe2+ |
Сушка |
- |
30 |
|
Соли драгоценных металлов в пересчете на металл |
Сушка |
- |
1 |
|
Примечания 1 За основной компонент (ион) данного раствора или электролита принимают тот, для которого критерий промывки является наибольшим. 2 При промывке изделий, к которым предъявляются особо высокие требования, допустимые концентрации основного компонента допускается устанавливать опытным путем и указывать в технологической инструкции. | |||
Приложение А
(рекомендуемое)
А.1 При использовании схем промывок с ваннами улавливания изделие вначале промывают в непроточной ванне улавливания, а затем в промывной.
А.1.1 При промывке деталей только в ваннах проточной промывки (при отсутствии ванн улавливания) концентрацию отмываемых веществ в промывной воде спр.в, г/л, сбрасываемой из одинарной или каскадной ванны промывки, вычисляют по формуле
,
(A.1)
где m - масса отмываемого вещества в единицу времени, г/ч;
Q - расход воды на промывку для всей схемы промывки, л/ч;
q - удельный вынос электролита поверхностью деталей, л/м2;
F - производительность технологической ванны, м2/ч;
c0 - концентрация компонента в технологической ванне, г/л.
Если для вещества установлена допустимая концентрация в воде после промывки сд (таблица 5), формулу (А.1) для вычисления концентрации вещества в сбрасываемой воде преобразовывают следующим образом:
,
(А.2)
где n - число ванн промывки с собственной подачей воды (одинарных прямоточных или каскадных ванн);
N - число ступеней проточной промывки.
Концентрации отмываемых веществ в промывной воде спр.в, г/л, сбрасываемой из каждой ступени прямоточной промывки, вычисляют по следующим формулам:
из первой ступени
;
(А.3)
из второй ступени
;
(A.4)
из третьей ступени
,
(А.5)
где Q1, Q2, Q3 - расход воды на промывку для первой, второй и третьей ступеней промывки соответственно, л/ч.
Примечание - В формулах (А.3)-(А.5) не учитывается вынос поверхностью деталей отмываемых веществ из последней ступени промывки в виду его пренебрежительно малого значения.
А.1.2 При промывке деталей в ваннах проточной промывки с одной ванной улавливания концентрацию какого-либо вещества в сбрасываемой промывной воде спр.в, г/л, в любой момент времени с начала работы ванны улавливания, т.е. с момента заполнения ее чистой водой, вычисляют по формуле
,
(А.6)
где е - основание натурального логарифма;
τ - продолжительность работы ванны улавливания с момента заполнения ее чистой водой, ч;
V - объем ванны промывки или улавливания.
Для приближенного расчета концентрации компонентов электролита в промывной воде, сбрасываемой из проточных ванн промывки, принимают, что в ванне улавливания задерживается 60 %, а уносится в последующие ванны проточной промывки 40 % массы вынесенных из технологической ванны компонентов. Тогда формула (А.6) принимает упрощенный вид
.
(А.7)
Формулу (А.7) для вычисления концентрации в промывной воде вещества, для которого установлена допустимая концентрация при промывке сд (таблица 5), преобразовывают следующим образом:
.
(А.8)
А.1.3 При промывке деталей только в ваннах непроточной промывки, т.е. в ваннах улавливания, концентрацию веществ в промывной воде вычисляют по следующим формулам:
в первой по ходу движения деталей ступени промывки
;
(А.9)
во второй по ходу движения деталей ступени промывки
;
(А.10)
в n-й ванне по ходу движения деталей ступени промывки
.
(А.11)
По достижении в последней по ходу движения деталей ванне улавливания допустимой концентрации при промывке сд (таблица 5) воду в ваннах улавливания следует заменить на чистую.
Расчеты будут достаточно точными при следующих условиях: загрузки поступают строго ритмично; удельный вынос раствора с поверхностью деталей постоянен; расход воды на промывку деталей постоянен.
А.2 Удельный вынос электролита при обработке деталей на подвесках составляет 0,2 дм3/м2 при продолжительности стекания электролита не менее 6 с, при обработке деталей насыпью в колоколах и барабанах - 0,4 дм3/м2, в корзинах и сетках - 0,6 дм3/м2 при продолжительности стекания электролита не менее 15 с. В технически обоснованных случаях при наличии экспериментальных данных для конкретных деталей допускается изменять удельный вынос электролита.
А.3 Для получения необходимого качества промывки деталей концентрация основного компонента в последней по ходу движения деталей ступени промывки скл должна быть не более допустимой концентрации сд, указанной в таблице 5, т.е. скл ≤ сд.
При промывке деталей после ванн, содержащих соединения драгоценных металлов, концентрация драгоценного металла в последней ванне улавливания должна быть не более допустимой концентрации сд, указанной в таблице 5.
Расход воды на промывку при скл = сд в общем виде вычисляют по формуле
,
(А.12)
где α - коэффициент учета ванн улавливания, без ванн улавливания α = 1, с одной ванной улавливания α = 0,4, с двумя ваннами улавливания α = 0,15 и с тремя ваннами улавливания α = 0,06.
Расход воды на промывку при скл = сд для конкретных схем промывки вычисляют по следующим формулам:
для одноступенчатой промывки
;
(А.13)
для двухступенчатой прямоточной промывки
,
(А.14)
для трехступенчатой прямоточной промывки
;
(А.15)
для двухступенчатой противоточной промывки
,
(А.16)
для трехступенчатой противоточной промывки
;
(А.17)
для смешанной (одноступенчатая + двухступенчатая противоточная ванны) промывки
.
(А.18)
А.4 При работе с горячими ваннами допускается применять противоточные бессточные схемы промывок.
Число ступеней N для схем промывок вычисляют по формуле
,
(А.19)
где K - критерий окончательной промывки, вычисляемый по формуле
;
Qисп - потери технологического раствора на тепловое испарение и унос выделяющимися газами, дм3/ч (определяется опытным путем).
А.5 При достижении в ванне улавливания концентрации компонентов электролита су, равной половинной концентрации этих компонентов в ванне химической или электрохимической обработки, т.е. при су = 0,5с0, воду в ванне улавливания заменяют на чистую. Использованную воду направляют на пополнение, корректировку и приготовление электролита в технологической ванне и (или) на регенерацию ценных компонентов. Продолжительность работы ванны улавливания с момента заполнения ее чистой водой до следующей смены в ней воды рассчитывают по следующим формулам:
,
(А.20)
или
,
(А.21)
где Sсм - площадь деталей, после обработки которых воду в ванне улавливания необходимо заменить на чистую, м2;
τсм - продолжительность работы ванны улавливания с момента заполнения ее чистой водой до следующей смены в ней воды, ч;
Vy - объем ванны улавливания, л.
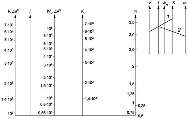
А.6 Для облегчения расчета объема воды на промывку с одной ванной улавливания используют номограммы (рисунки А.1-А.3).
Для определения объема воды на промывку для одного цикла необходимо соединить заданные значения V и K (прямая 1), затем заданное значение m соединить с точкой пересечения прямой V-K с осью I (прямая 2). Точка пересечения прямой 2 с осью WF соответствует объему воды на промывку для одного цикла (см. рисунки А.2 и А.3).

I - одноступенчатая промывка; II - двухступенчатая промывка; III - трехступенчатая промывка; K - критерий окончательной промывки; WF - объем воды на промывку для одного цикла
Рисунок А.1 - Расчет объема воды для противоточных схем промывок

Рисунок А.2 - Расчет объема воды при прямоточной двухступенчатой промывке

Рисунок А.3 - Расчет объема воды при трехступенчатой смешанной промывке
Приложение Б
(справочное)
Б.1 В гальваническом производстве применяют следующие системы водоснабжения:
- прямоточная;
- многократного использования воды (оборотная);
- полуоборотная.
Б.2 Прямоточная система водоснабжения предусматривает одноразовое использование воды. Образующиеся производственные сточные воды перед отведением их в систему канализации населенных пунктов подлежат очистке на локальных очистных сооружениях до установленных значений допустимых концентраций.
Б.3 Система многократного использования воды предусматривает многоразовое использование воды в производстве после соответствующей очистки.
Система многократного использования воды может быть централизованной, локальной и смешанной.
Б.3.1 Централизованная система водоснабжения предусматривает централизованную очистку промывной воды, отводимой после всех технологических операций по одному или нескольким трубопроводам, и подачу ее на эти операции после очистки.
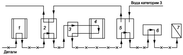
Б.3.2 Локальная система водоснабжения предусматривает очистку промывной воды после одной технологической операции и возврат ее на промывку после этой же операции. Локальные системы, как правило, размещают рядом или встраивают в технологическую цепочку (рисунок Б.1).

1 - ванна промывки водой категории 2; 2 - ванна финишной промывки водой не хуже категории 3; 3 - емкость для воды; 4 - насос; 5 - система обессоливания воды
Рисунок Б.1 - Схема финишной промывки (подача воды и перемещение деталей)
Б.3.3 Смешанная система водоснабжения предусматривает очистку промывной воды на локальных установках от каждой технологической операции с отведением, очищенных на этих установках вод, на централизованные сооружения доочистки и последующим возвратом на промывку.
Б.4 Использование многоступенчатых схем промывок позволяет значительно сократить расход воды. Так, после хромирования при одноступенчатой промывке изделия на промывку 1 м2 расходуется 5400 дм3/м2, при двухступенчатой - 8 дм3/м2. Установка одной ванны улавливания позволяет уменьшить расход воды при одноступенчатой схеме промывки на 60 %, при двухступенчатой - в 2 раза и при трехступенчатой - в 4 раза.
Расход воды можно уменьшить при многократном использовании воды на гальванической линии. Примеры таких схем приведены на рисунках Б.2 и Б.3.
Промывку деталей, покрываемых металлами, способными к контактному выделению на деталях, рекомендуется проводить по схеме промывки деталей, покрываемых драгметаллами.
Допускается вместо финишной промывки (постоянно) циркулирующей обессоленной водой использовать финишную промывку непроточной водой категории 3 с периодической ее заменой по мере возрастания удельной электрической проводимости воды до 1 · 10-2 См/м. Такую воду целесообразно направлять в систему оборотной воды или в систему каскадной проточной промывки.

1 - ванна активации; 2, 5 - ванны промывки; 3 - ванны улавливания водой категории 3; 4 - ванна нанесения покрытий; 6 - обдув сжатым воздухом или центрифугирование; 7 - сушка (термосушка)
Рисунок Б.2 - Схема промывки деталей, покрываемых металлами, не способными к контактному выделению (подача воды и перемещение деталей)

1 - ванна активации; 2, 7 - ванны промывки; 3 - ванна финишной промывки водой категории 3 (непроточная или циркулирующая); 4 - ванна нанесения покрытий драгметаллами; 5, 6 - ванны-уловители с водой категории 3; 8 - обдув сжатым воздухом или центрифугирование; 9 - термосушка
Рисунок Б.3 - Схема промывки деталей, покрываемых драгметаллами (подача воды и перемещение деталей)
Финишная промывка деталей применяется:
- перед операцией нанесения покрытий драгметаллами;
- после операции нанесения покрытий горячим способом с использованием водорастворимых активных флюсов;
- после операции нанесения анодно-окисных, фосфатных и химических окисных покрытий под лакокрасочные покрытия.
Допускается применение других экономически и технически обоснованных схем водоснабжения и водоотведения.






