ГОСТ Р 57979-2017 ОТВЕРТКИ СЛЕСАРНО-МОНТАЖНЫЕ. РАБОЧАЯ ЧАСТЬ ОТВЕРТОК ДЛЯ ВИНТОВ И ШУРУПОВ С ПРЯМЫМ ШЛИЦЕМ. РАЗМЕРЫ
Screwdrivers for fitting and assembling. Blades of screwdrivers of slotted screws and woodscrews. Dimensions
Предисловие
1 Подготовлен Открытым акционерным обществом "ВНИИИНСТРУМЕНТ" (ОАО "ВНИИИНСТРУМЕНТ") на основе официального перевода на русский язык англоязычных версий указанных в пункте 4 международных стандартов, который выполнен ФГУП "Стандартинформ"
2 Внесен Техническим комитетом по стандартизации ТК 95 "Инструмент"
3 Утвержден и введен в действие Приказом Федерального агентства по техническому регулированию и метрологии от 22 ноября 2017 г. N 1800-ст
4 Настоящий стандарт включает в себя модифицированные основные нормативные положения следующих международных стандартов:
ИСО 2380-1:2004 "Инструменты крепежные для винтов и гаек. Отвертки для винтов со шлицем. Часть 1. Лезвия ручных отверток и отверток с машинным приводом" (ISO 2380-1:2004 "Assembly tools for screws and nuts - Screwdrivers for slotted-head screws - Part 1: Tips for hand- and machine-operated screwdrivers", MOD);
ИСО 2380-2:2004 "Инструменты крепежные для винтов и гаек. Отвертки для винтов со шлицем. Часть 2. Общие требования, длины лезвий и маркировка ручных отверток" (ISO 2380-2:2004 "Assembly tools for screws and nuts - Screwdrivers for slotted-head screws - Part 2: General requirements, lengths of blades and marking of hand-operated screwdrivers", MOD) путем внесения дополнительных положений.
Международные стандарты разработаны техническим комитетом по стандартизации ISO/TC 29 "Инструмент", подкомитетом SC 10 "Сборочный инструмент для болтов и гаек, плоскогубцы и кусачки" Международной организации по стандартизации (ISO).
Потребности национальной экономики и особенности национальной стандартизации учтены в дополнительных пунктах 3.1, 3.3, которые выделены путем заключения их в рамки из тонких линий или выделены полужирным курсивом, а информация с объяснением причин включения этих положений приведена в дополнительном приложении ДА.
Сопоставление структуры и нумерации структурных элементов настоящего стандарта и основных нормативных положений указанных международных стандартов приведено в дополнительном приложении ДБ.
Сведения о соответствии ссылочного национального стандарта международному стандарту, использованному в качестве ссылочного в примененных международных стандартах, приведены в дополнительном приложении ДВ
5 Введен впервые
Настоящий стандарт устанавливает форму и размеры рабочей части ручных и механизированных отверток для винтов и шурупов с прямым шлицем и для круглых гаек со шлицем на торце.
В настоящем стандарте использованы нормативные ссылки на следующие стандарты:
ГОСТ 6424-73 Зев (отверстие), конец ключа и размер "под ключ"
ГОСТ 17199-88 Отвертки слесарно-монтажные. Технические условия
ГОСТ Р 57980 (ИСО 1173:2001) Шестигранные присоединительные части вставок для ручных и механизированных отверток. Размеры, крутящие моменты
ГОСТ Р ИСО 4759-1-2009 Изделия крепежные. Допуски. Часть 1. Болты, винты, шпильки и гайки. Классы точности А, В и С
Примечание - При пользовании настоящим стандартом целесообразно проверить действие ссылочных стандартов в информационной системе общего пользования - на официальном сайте Федерального агентства по техническому регулированию и метрологии в сети Интернет или по ежегодному информационному указателю "Национальные стандарты", который опубликован по состоянию на 1 января текущего года, и по выпускам ежемесячного информационного указателя "Национальные стандарты" за текущий год. Если заменен ссылочный стандарт, на который дана недатированная ссылка, то рекомендуется использовать действующую версию этого стандарта с учетом всех внесенных в данную версию изменений. Если заменен ссылочный стандарт, на который дана датированная ссылка, то рекомендуется использовать версию этого стандарта с указанным выше годом утверждения (принятия). Если после утверждения настоящего стандарта в ссылочный стандарт, на который дана датированная ссылка, внесено изменение, затрагивающее положение, на которое дана ссылка, то это положение рекомендуется применять без учета данного изменения. Если ссылочный стандарт отменен без замены, то положение, в котором дана ссылка на него, рекомендуется применять в части, не затрагивающей эту ссылку.
3.1 Рабочую часть ручных отверток следует изготовлять следующих типов и исполнений:
|
1 - прямой бочкообразной формы; 2 - с параллельными плоскостями; 3 - клинообразной формы для винтов с головкой (исполнений А и В); 4 - клинообразной формы для винтов без головки; 5 - клинообразной формы для круглых гаек со шлицем на торце (исполнений А и В); |
6 - клинообразной формы (исполнений А и В).
3.2 Рабочую часть механизированных отверток следует изготовлять типа 6 (исполнение С).
3.3 Основные размеры рабочей части отверток должны соответствовать указанным на рисунках 1-4 и в таблицах 1-5.
|
Тип 1
|
Тип 2
| |
|
Рисунок 1 | ||
|
Таблица 1 - Рабочая часть типов 1 и 2 ручных отверток
В миллиметрах | ||||||
|
а |
b h 16 |
f |
t, не менее | |||
|
Номин. |
Пред. откл. | |||||
|
0, 25 |
+ 0, 06
-0, 04
|
1, 7 |
0, 3 |
0, 5 | ||
|
0, 30 |
2, 0 | |||||
|
0, 40 |
2, 5 |
0, 7 | ||||
|
0, 50 |
3, 5 |
1, 0 | ||||
|
0, 60 |
4, 0 |
1, 1 | ||||
|
0, 80 |
5, 5 |
0, 6 |
1, 6 | |||
|
1, 00 |
6, 5 |
2, 0 | ||||
|
1, 20 |
+ 0, 06
-0, 08
|
8, 0 |
2, 3 | |||
|
1, 60 |
10, 0 |
0, 9 |
2, 7 | |||
|
2, 00 |
13, 0 |
1, 0 |
3, 6 | |||
|
2, 50 |
16, 0 |
1, 1 |
4, 5 | |||
|
3, 00 |
18, 0 |
6, 0 | ||||
|
4, 00 |
+ 0, 07
-0, 11
|
23, 0 |
8, 0 | |||
|
5, 00 |
+ 0, 07
-0, 23
|
28, 0 |
9, 0 | |||
|
Тип 3
|
Тип 4
|
|
______________________________ * Размер для справок. Рисунок 2 | |
|
Таблица 2 - Рабочая часть типов 3 (исполнений А и В) и 4 ручных отверток
В миллиметрах | |||||||||
|
а |
b h 16 для типов |
t, не менее, | |||||||
|
Номин. |
Пред. откл. |
для типов | |||||||
|
3 |
4 |
3, исполнений |
4 | ||||||
|
А |
В | ||||||||
|
0, 25 |
+ 0, 06
-0, 04
|
1, 7 |
0, 8 |
0, 10 |
0, 35 |
0, 10 | |||
|
0, 30 |
2, 0 |
- | |||||||
|
0, 40 |
2, 5 |
1, 6 |
0, 15 |
0, 40 |
0, 15 | ||||
|
0, 50 |
3, 5 |
2, 3 |
0, 20 |
1, 00 |
0, 20 | ||||
|
0, 60 |
4, 0 |
2, 8 |
0, 25 |
0, 25 | |||||
|
0, 80 |
5, 5 |
3, 5 |
0, 40 |
1, 10 |
0, 40 | ||||
|
1, 00 |
6, 5 |
4, 5 |
0, 60 |
1, 20 |
0, 60 | ||||
|
1, 20 |
+ 0, 06
-0, 08
|
8, 0 |
6, 0 |
1, 90 | |||||
|
1, 60 |
10, 0 |
8, 0 |
0, 75 |
2, 00 |
0, 75 | ||||
|
2, 00 |
13, 0 |
9, 0 |
1, 20 |
2, 20 |
1, 20 | ||||
|
2, 50 |
16, 0 |
11, 0 |
1, 60 |
2, 40 |
1, 60 | ||||
|
3, 00 |
18, 0 |
13, 0 |
2, 50 |
2, 60 |
2, 50 | ||||
|
4, 00 |
+ 0, 07
-0, 11
|
23, 0 |
- |
2, 80 |
2, 90 |
2, 80 | |||
|
5, 00 |
+ 0, 07
-0, 23
|
28, 0 |
- |
3, 20 |
3, 30 |
3, 20 | |||
|
Рисунок 3, лист 1 | |||||||||
|
Тип 5
______________________________ * Размер для справок. Рисунок 3, лист 2 |
|
Таблица 3 - Рабочая часть типа 5 (исполнений А и В) ручных отверток
В миллиметрах | |||||||||
|
Исполнение |
а |
b h 16 |
b1 Н 12 |
t |
l |
l1 | |||
|
Номин. |
Пред. откл. |
не менее | |||||||
|
А |
0, 3 |
+ 0, 06
-0, 04
|
3, 2 |
1, 2 |
0, 4 |
1, 6 |
8 | ||
|
0, 5 |
4, 0 |
1, 6 |
0, 6 |
2, 0 | |||||
|
А, В |
1, 0 |
4, 5 |
2, 0 |
0, 7 |
2, 5 |
12 | |||
|
6, 3 |
2, 5 |
3, 2 | |||||||
|
1, 2 |
+ 0, 06
-0, 08
|
3, 2 |
0, 9 |
4, 0 | |||||
|
1, 4 |
10, 0 |
4, 0 |
1, 3 |
5, 0 | |||||
|
2, 0 |
5, 0 |
1, 5 |
6, 3 |
16 | |||||
|
2, 8 |
12, 0 |
6, 3 |
2, 3 |
8, 0 | |||||
|
3, 0 |
16, 0 |
8, 0 |
3, 0 |
10, 0 |
20 | ||||
|
3, 5 |
20, 0 |
10, 0 |
3, 5 |
12, 0 | |||||
Тип 6

Рисунок 4
В миллиметрах
|
а |
b |
t11) |
а12), не менее |
t21) | |||
|
Номин. |
Пред. откл. |
Номин. |
Пред. откл. для исполнений | ||||
|
А |
В | ||||||
|
0, 4 |
+ 0, 06
-0, 02
|
2, 0 |
-0, 25 |
-0, 14 |
0, 2 |
0, 32 |
0, 7 |
|
2, 5 | |||||||
|
0, 5 |
3, 0 |
0, 3 |
0, 40 |
0, 9 | |||
|
0, 6 |
3, 0 |
0, 4 |
0, 48 |
1, 1 | |||
|
3, 5 |
-0, 30 |
-0, 18 | |||||
|
4, 0 | |||||||
|
0, 8 |
+ 0, 06
-0, 04
|
4, 0 |
0, 5 |
0, 64 |
1, 4 | ||
|
1, 0 |
4, 5 |
0, 6 |
0, 80 |
1, 8 | |||
|
5, 5 | |||||||
|
6, 0 | |||||||
|
1, 2 |
6, 5 |
-0, 36 |
-0, 22 |
0, 7 |
0, 96 |
2, 2 | |
|
8, 0 | |||||||
|
1, 6 |
± 0, 06 |
8, 0 |
1, 0 |
1, 28 |
2, 9 | ||
|
10, 0 | |||||||
|
2, 0 |
12, 0 |
-0, 43 |
-0, 27 |
1, 2 |
1, 60 |
3, 6 | |
|
2, 5 |
14, 0 |
1, 5 |
2, 00 |
4, 5 | |||
|
1) t1 = 0, 6 а; t2 = 1, 8 а. 2) а1 ≤ а; а1 = 0, 8 а. | |||||||
В миллиметрах
|
а |
b |
а11), не менее |
t22) | ||
|
Номин. |
Пред. откл. |
Номин. |
Пред. откл. | ||
|
0, 4 |
+ 0, 04 |
2, 0 |
-0, 060 |
0, 32 |
0, 7 |
|
2, 5 | |||||
|
0, 5 |
3, 0 |
0, 40 |
0, 9 | ||
|
4, 0 |
-0, 075 | ||||
|
0, 6 |
3, 0 |
-0, 060 |
0, 48 |
1, 1 | |
|
3, 5 |
-0, 075 | ||||
|
4, 5 | |||||
|
0, 8 |
4, 0 |
0, 64 |
1, 4 | ||
|
5, 5 | |||||
|
1, 0 |
4, 5 |
0, 80 |
1, 8 | ||
|
5, 5 | |||||
|
6, 0 | |||||
|
1, 2 |
± 0, 03 |
6, 5 |
-0, 150 |
0, 96 |
2, 2 |
|
8, 0 | |||||
|
1, 6 |
8, 0 |
1, 28 |
2, 9 | ||
|
10, 0 | |||||
|
2, 0 |
12, 0 |
-0, 180 |
1, 60 |
3, 6 | |
|
2, 5 |
14, 0 |
2, 00 |
4, 5 | ||
|
1) а1 ≤ а; а1 = 0, 8 а. 2) t2 = 1, 8 а. | |||||
Пример условного обозначения рабочей части отвертки типа 6 исполнения А, толщиной лезвия а, равной 1, 2 мм, и шириной b, равной 8 мм:
Рабочая часть отвертки 6 А 1, 2 х 8 ГОСТ Р 57979-2017
4 Твердость стержня ручных отверток должна быть 47-52 HRC на длине не менее 3 b мм от вершины лезвия.
Твердость механизированных отверток должна быть не менее 56 HRC на всей длине стержня отвертки.
5 Ручные отвертки могут иметь шестигранный привод у рукоятки для размеров рабочей части a·b не менее чем 1, 0·5, 5 мм.
6 Испытательные крутящие моменты, определяющие прочность рабочей части ручных и механизированных отверток и прочность соединения стержня с рукояткой для ручных отверток, в соответствии с приложением А.
7 Длины стержней ручных отверток с рабочей частью типов 1-5 - по ГОСТ 17199;
8 Длины стержней ручных отверток с рабочей частью типа 6 исполнений А и В и длины механизированных отверток с рабочей частью типа 6 исполнения С приведены в приложении Б.
Приложение А
(обязательное)
А.1 Испытательные крутящие моменты, определяющие прочность рабочей части и прочность соединения стержня с рукояткой отверток с рабочей частью типов 1-5 и типа 6 исполнений А и В ручных отверток - в соответствии с ГОСТ 17199 (пункт 1.8).
А.2 Для отверток с шестигранным приводом около рукоятки шестигранное соединение должно выдерживать испытательный крутящий момент 1, 5 М.
А.3 Испытательные крутящие моменты, определяющие прочность рабочей части типа 6 исполнения С механизированных отверток, указаны в таблице А.1.
Таблица А.1
Размеры в миллиметрах
|
а ном. |
b ном. |
Испытательный крутящий момент М, Н·м, не менее |
|
0, 4 |
2, 0 |
0, 35 |
|
2, 5 |
0, 45 | |
|
0, 5 |
3, 0 |
0, 80 |
|
4, 0 |
1, 10 | |
|
0, 6 |
3, 0 |
1, 20 |
|
3, 5 |
1, 40 | |
|
4, 5 |
1, 80 | |
|
0, 8 |
4, 0 |
2, 90 |
|
5, 5 |
3, 90 | |
|
1, 0 |
4, 5 |
5, 00 |
|
5, 5 |
6, 20 | |
|
6, 0 |
6, 70 | |
|
1, 2 |
6, 5 |
10, 50 |
|
8, 0 |
12, 90 | |
|
1, 6 |
8, 0 |
22, 90 |
|
10, 0 |
28, 70 | |
|
2, 0 |
12, 0 |
53, 80 |
|
2, 5 |
14, 0 |
98, 00 |
А.4 Испытательное оборудование должно удерживать испытываемый образец отвертки от сил выталкивания, предотвращать возникновение изгибающих моментов и иметь прочность, исключающую возникновение деформаций при испытаниях. Твердость испытательного оборудования должна быть не менее 64 HRC.
А.5 Размеры шлица испытательного оборудования указаны на рисунках А.1 и А.2 и в таблице А.2.
![]() | ![]() |
|
Рисунок А.1 - Шлиц испытательного оборудования для типа 6 исполнения А рабочей части отвертки |
Рисунок А.2 - Шлиц испытательного оборудования для типа 6 исполнений В и С рабочей части отвертки |
Таблица А.2
В миллиметрах
|
а + 0, 085 + 0, 060 |
t1 + 0, 04 |
t2 + 0, 14 |
|
0, 4 |
0, 2 |
0, 7 |
|
0, 5 |
0, 3 |
0, 9 |
|
0, 6 |
0, 4 |
1, 1 |
|
0, 8 |
0, 5 |
1, 4 |
|
1, 0 |
0, 6 |
1, 8 |
|
1, 2 |
0, 7 |
2, 2 |
|
1, 6 |
1, 0 |
2, 9 |
|
2, 0 |
1, 2 |
3, 6 |
|
2, 5 |
1, 5 |
4, 5 |
Приложение Б
(рекомендуемое)
Б.1 Длины стержней ручных отверток с рабочей частью типа 6 исполнений А и В установлены четырех серий и приведены на рисунках Б.1 и Б.2 и в таблице Б.1.

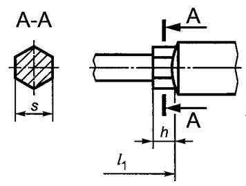
Рисунок Б.1 - Для ручных отверток с рукояткой

Примечания
1 Размер s - по ГОСТ 6424, предельные отклонения - по ГОСТ Р ИСО 4759-1.
2 Размер h - не менее 0, 5 s.
Рисунок Б.2 - Для ручных отверток с шестигранным приводом у рукоятки
Таблица Б.1
В миллиметрах
|
а |
b |
l1 + 5 | |||
|
Серия длины | |||||
|
А |
В |
С |
D | ||
|
0, 4 |
2, 0 |
- |
40 |
- |
- |
|
2, 5 |
- |
50 |
75 |
100 | |
|
0, 5 |
3, 0 |
- | |||
|
0, 6 |
3, 0 |
- |
75 |
100 |
125 |
|
3, 5 |
25 (35) | ||||
|
4, 0 | |||||
|
0, 8 |
4, 0 | ||||
|
1, 0 |
4, 5 |
100 |
125 |
150 | |
|
5, 5 | |||||
|
6, 0 | |||||
|
1, 2 |
6, 5 | ||||
|
8, 0 |
125 |
150 |
175 | ||
|
1, 6 |
8, 0 |
- | |||
|
10, 0 |
- |
150 |
175 |
200 | |
|
2, 0 |
12, 0 |
- |
200 |
250 | |
|
2, 5 |
14, 0 |
- |
200 |
250 |
300 |
|
Примечание - Размер, указанный в скобках, не является предпочтительным для применения. | |||||
|
Б.2 Длины механизированных отверток с рабочей частью типа 6 исполнения С приведены на рисунке Б.3 и в таблице Б.2.
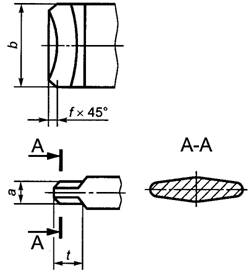
1 - рабочая часть отвертки-вставки; 2 - присоединительная часть вставки по ГОСТ Р 57980 Рисунок Б.3 |
|
Таблица Б.2 | |||||||||||||
|
а |
b |
Обозначение форм присоединительных частей вставок по ГОСТ Р 57980 | |||||||||||
|
A 3 |
А 5, 5 |
С 4 |
С 6, 3 |
С 8 |
С 12, 5 |
Е 6, 3 |
Е 8 |
Е 11, 2 |
G 7 | ||||
|
l1, не более | |||||||||||||
|
51 |
29 |
40 |
42 |
51 |
86 |
54 | |||||||
|
l2, не менее | |||||||||||||
|
25 |
11 |
13 |
14 |
14 |
24 |
52 |
47 |
25 | |||||
|
0, 4 |
2, 0 |
X |
X | ||||||||||
|
2, 5 |
X |
X |
X | ||||||||||
|
0, 5 |
3, 0 |
X |
X |
X |
X |
X |
X | ||||||
|
4, 0 |
X |
X |
X |
X |
X |
X | |||||||
|
0, 6 |
3, 0 |
X |
X |
X |
X |
X |
X | ||||||
|
3, 5 |
X |
X |
X |
X |
X |
X | |||||||
|
4, 5 |
X |
X |
X |
X |
X |
X | |||||||
|
0, 8 |
4, 0 |
X |
X |
X |
X |
X |
X |
X | |||||
|
5, 5 |
X |
X |
X |
X |
X |
X |
X |
X |
X | ||||
|
1, 0 |
4, 5 |
X |
X |
X |
X |
X |
X |
X |
X |
X | |||
|
5, 5 |
X |
X |
X |
X |
X |
X |
X |
X |
X | ||||
|
6, 0 |
X |
X |
X |
X |
X |
X |
X | ||||||
|
1, 2 |
6, 5 |
X |
X |
X |
X |
X |
X |
X | |||||
|
8, 0 |
X |
X |
X |
X |
X |
X |
X | ||||||
|
1, 6 |
8, 0 |
X |
X |
X |
X |
X |
X |
X |
X | ||||
|
10, 0 |
X |
X |
X |
X |
X |
X |
X | ||||||
|
2, 0 |
12, 0 |
X |
X |
X |
X | ||||||||
|
2, 5 |
14, 0 |
X |
X |
X |
X | ||||||||
Приложение ДА
(справочное)
Таблица ДА.1
|
Разделы, пункты настоящего стандарта, включающие дополнительные положения |
Объяснение причин включения дополнительных положений | |
|
Раздел |
Пункт | |
|
3 |
3.1; 3.3 |
Отвертки с рабочей частью типов 1-5 изготовляют предприятия - изготовители слесарно-монтажного инструмента, имеют широкое применение на всех предприятиях народного хозяйства, в быту, для производственных и ремонтных целей. |
|
Приложение Б |
Б.2 |
По аналогии с введением в стандарт в соответствии с ИСО 2380-2:2004 длин стержней ручных отверток, в него включены длины стержней механизированных отверток-вставок, которые регламентируются ИСО 2351-1:2007, и их комбинации с обозначениями форм присоединительных частей вставок по ИСО 1173:2001. Действующий ГОСТ 30092 на размеры отверток-вставок, модифицированный с ИСО 2351-86, длины вставок не регламентирует. |
Приложение ДБ
(справочное)
Таблица ДБ.1
|
Структура настоящего стандарта |
Структура международного стандарта ISO 2380-1:2004 |
Структура международного стандарта ISO 2380-2:2004 | |||
|
Раздел |
Пункт |
Раздел |
Пункт |
Раздел |
Пункт |
|
1 |
- |
1 |
- |
1 |
- |
|
2 |
- |
2 |
- |
2 |
- |
|
3 |
3.1 |
3; 4 |
3.1 |
- |
- |
|
3.2 |
- |
- | |||
|
3.3 |
3.2 |
- |
- | ||
|
- |
4 |
5 |
5.1 |
3 |
- |
|
- |
5 |
- |
- |
4 |
- |
|
Приложение А |
А.1 |
3 |
3.2 |
- |
- |
|
А.2 |
5 |
5.3 |
- |
- | |
|
А.3 |
3 |
3.2 |
- |
- | |
|
А.4 |
5 |
5.2 |
- |
- | |
|
А.5 |
5 |
5.2 |
- |
- | |
|
Приложение Б |
- |
- |
- |
- |
- |
|
Приложение ДА |
- |
- | |||
|
Приложение ДБ |
- |
- | |||
|
Приложение ДВ |
- |
- | |||
Приложение ДВ
(справочное)
Таблица ДВ.1
|
Обозначение ссылочного национального стандарта |
Степень соответствия |
Обозначение и наименование ссылочного международного стандарта |
|
ГОСТ Р ИСО 4759-1-2009 |
IDT |
ISO 4759-1:2000 "Изделия крепежные. Допуски. Часть 1. Болты, винты, шпильки и гайки. Классы точности А, В и С" |
|
Примечание - В настоящей таблице использовано следующее условное обозначение степени соответствия стандарта: - IDT - идентичный стандарт. | ||










